/ 제품 / 소형 AC 기어 모터 / 1500W 시리즈

소형 AC 기어 모터 공급업체

  • 1500W 시리즈
  • 1500W 시리즈
  • 1500W 시리즈
  • 1500W 시리즈
소형 AC 기어 모터

1500W 시리즈

모터 파워 : 1500W (2HP) 수평 또는 수직 설치

위상 : 단일 상 / 3 단계

기어비 : 3-1800K

모터 선택 : 3 상 모터 220V-240V/380V-415V, 50Hz/60Hz; 1 상 모터, 220V, 50Hz/60Hz; 1 상 모터, 110V, 50Hz / 60Hz

출력 샤프트 직경 : φ28mm φ32mm φ40mm φ50mm

  • 1500W 시리즈
  • 1500W 시리즈
  • 1500W 시리즈
  • 1500W 시리즈
애플리케이션 영역
당사는 AC 기어 감속 모터, 소형 감속 모터, 서보 전용 행성 감속기, DC 브러시리스 및 무브러시 모터 및 기타 제품의 생산 및 판매에 전념하는 첨단 기술 기업입니다.
  • 물류 분류

  • 자동화 된 로봇

  • 레이저 절단

  • 액세스 제어 게이트

  • 태양 광 발전소

  • 의료 기기

  • AGV

제품 설명

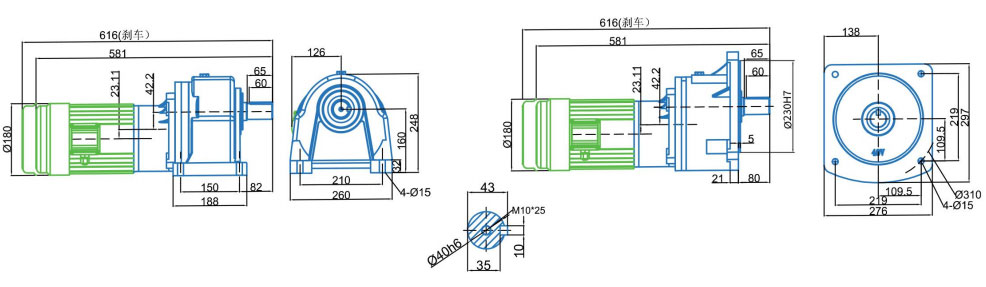
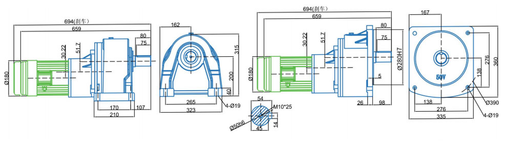
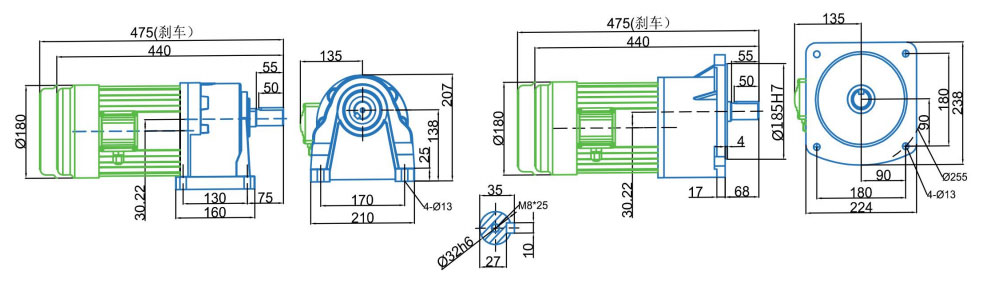
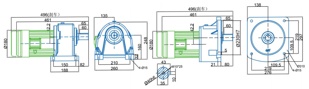
CH28/CV28-1500W- (감소 된 상자 1 : 30 ~ 120 비율) 크기 다이어그램

CH50/CV50-1500W- (표준 박스 1 : 125 ~ 200 비율) 치수 드로잉

CH32/CV32-1500W- (표준 박스 1 : 30 ~ 25 비율) (감소 된 상자 1 : 30 ~ 120 비율) 치수 드로잉

CH40/CV40-1500W (1 : 210 이상) 크기 다이어그램

CH40/CV40-1500W- (표준 박스 1 : 30 ~ 120 비율) (감소 된 상자 1 : 125 ~ 200 비율) 치수 드로잉

CH50/CV50-1500W (1 : 210 이상) 크기 다이어그램

전기 기계 매개 변수

전기 기계 매개 변수

전원 (KW)

유형

전압 (V)

주파수 (HZ)

정격 전류 (a)

정격 회전 속도 (RMP)

커패시터 (μ에프)

단열 분류

보호 시스템

1.5kW

2hp

단상

220V

50Hz

4.1a

1420RMP

30μF 0 150μF

F

IP54

3 상

220V/380V

50Hz

6.6A/3.8A

1420RMP

/

1500W- (1 : 3-180 디지털 비율) 토크 테이블

GERA 비율

3

5

10

15

20

25

30

40

50

60

70

80

90

100

120

140

160

180

200

300

1200

1800

출력 R.P.M.

50Hz

500

300

150

100

75

60

50

37

30

25

21.4

18.8

16.7

15

12.5

10.7

9.4

8.4

7.5

5

1.25

0.83

60Hz

600

360

180

120

90

72

60

45

36

30

25.7

22.5

20

18

15

12.9

11.3

10

9

6

1.5

1

출력 토크 kg/m

50Hz

2.6

4.5

9.1

13.5

18.1

22.6

27.1

34.9

43.6

52.1

62.4

70.8

77.1

83.7

100.4

116.1

131.8

147.6

60Hz

2.2

3.8

7.6

11.3

15.1

18.9

22.6

29.1

36.4

43.7

52

59

64.3

69.8

83.7

96.8

109.9

123

테이블의 속도는 50Hz/60Hz, 1420R.Min/1732r.min에서 모터의 정격 속도에 따라 계산됩니다.

실제 속도는 부하 크기에 따라 약간 다르며, 변동 범위는 약 ± 5%입니다.

+ 자세한 제품 매개변수를 이해하세요
문의하기
  • Upload

우리에 대해
Zhejiang Saiya Intelligent Manufacturing Co., Ltd.
Zhejiang Saiya Intelligent Manufacturing Co., Ltd. 2009년 설립된 당사는 15년의 업계 경험을 바탕으로 마이크로 AC 기어 모터, 소형 AC 기어 모터, 브러시 DC 기어 모터, BLDC 브러시리스 DC 기어 모터, 정밀 행성 기어 박스, 모터 롤러 등을 생산 및 판매하는 첨단 기술 기업입니다. 중국 도매 1500W 시리즈 공급업체 그리고 OEM/ODM 1500W 시리즈 제조업체, Saiya 모터와 기어박스는 산업용 로봇, 지능형 물류, 신에너지 기계, AGV 로봇 및 기타 첨단 분야에 널리 사용됩니다. 또한 식품 가공, 포장, 섬유, 전자, 의료 장비 및 특수 기계 분야에서 중요한 역할을 수행하며 다양한 산업에 비용 효율적이고 차별화된 솔루션을 제공합니다. 차별화 및 비용 효율성의 우위를 강화하기 위해, 당사는 상하이와 닝보 항구 인근 저장성 항저우에 위치한 자체 무역 회사인 Hangzhou Saiya Transmission Equipment Co., LTD를 통해 국내 및 해외 사업을 처리하고 직접 판매 및 유통을 병행하며, 글로벌 유통 및 고객 지원을 보장하여 모든 고객에게 경제적이면서도 신뢰할 수 있는 고품질 솔루션을 제공합니다.

기업 문화

정통하고 신뢰할 수 있는
품질은 자연스럽게 돋보입니다.

핵심 가치: 자신을 개발하고 다른 사람을 돌보는 것.

비전:지능형 전송 분야의 서비스 전문가가 되십시오.

우리의 사명:고품질의 서비스를 제공하고 고객에게 가치를 창출합니다.

서비스 철학:모든 임직원의 물질적, 정신적 행복을 추구하며 인류사회의 진보와 발전에 기여합니다..

  • 2009

    설립
  • 80+

    직원
  • 5+

    생산 라인
소식
  • 토크는 기어 모터 선택의 기본 사양이며, 가장 자주 추측되거나 임의로 반올림되거나 검증 없이 이전 설계에서 이월되는 사양이기도 합니다. 크기가 작은 토크 선택의 결과로 모터는 최대 부하에서 시동하지 못하거나, 열 한계에서 지속적으로 작동하거나, 조기에 고장이 납니다. 지나치게 큰 토크 선택의 결과로 모터는 필요 이상으로 비용이 많이 들고 부분 부하에서...

    더 읽어보기
  • 브러시리스 DC(BLDC) 모터 그리고 브러시드 DC 모터 둘 다 영구 자석 DC 모터이며 전기 에너지를 회전 기계 운동으로 변환한다는 동일한 기본 목적을 공유합니다. 그러나 공유된 목적을 넘어서 근본적으로 다른 내부 메커니즘을 통해 이를 달성합니다. 메커니즘의 이러한 차이는 특정 응용 분야에 적합한 모...

    더 읽어보기
  • 구동 모터는 자율주행차(AGV)에서 가장 중요한 전자 기계 부품입니다. 이는 AGV가 어떻게 가속되는지, 얼마나 정확하게 위치를 잡는지, 얼마나 많은 페이로드를 이동할 수 있는지, 배터리가 충전할 때까지 지속되는 시간, 구동 시스템에 유지 관리가 필요하기 전까지 차량이 작동하는 시간을 결정합니다. 전력이 부족하거나 잘못 지정된 구동 모터가 있는 AGV...

    더 읽어보기